Форум ГАЗ 63/51, БТР-40

Главная |Тюнинг | Фото | Видео| Почта @gaz63.ru | Почта @gaz51.ru
Текущее время: 16 дек 2025, 07:06

Часовой пояс: UTC + 4 часа




Начать новую тему Ответить на тему  [ Сообщений: 50 ]  На страницу Пред.  1, 2, 3, 4, 5  След.
Автор Сообщение
 Заголовок сообщения: Re: Тахометр на ГАЗ 63
СообщениеДобавлено: 12 сен 2018, 18:05 
Не в сети
Аватар пользователя

Стаж с: 21 июл 2014, 08:10
Сообщений: 1115
Откуда: Москва
Имя: Игорь
Автомобиль: Unimog 404/ГАЗ-63
Телефон: 89266666901
Пункты репутации: 43
Механик
А пуск мотора был до установки и проверка всех показателей по маслу и т.д.?
Это же не газ-63, где морда аккуратно разбирается за час и потом мотор как на ладони.
В бтр такое невозможно. Поэтому любые ремонты агрегатов нужно заканчивать длительной обкаткой-проверкой работоспособности. Иначе - полный гемор потом.

_________________
+79266666901
ivstepanenko-b@yandex.ru

https://www.drive2.ru/r/gaz/53/525357651941393065/

https://www.drive2.ru/r/other/720451/

https://www.youtube.com/channel/UCjto660P3LJfqiwKXNn0rLw?view_as=subscriber


Вернуться наверх
 Профиль  
 
 Заголовок сообщения: Re: Тахометр на ГАЗ 63
СообщениеДобавлено: 13 сен 2018, 02:13 
Не в сети

Стаж с: 22 дек 2014, 02:23
Сообщений: 34
Откуда: Тверь
Имя: Студент
Автомобиль: болеет
Пункты репутации: 0
Я полностью согласен, это азы ремонта. Условий нет..


Вернуться наверх
 Профиль  
 
 Заголовок сообщения: Re: Тахометр на ГАЗ 63
СообщениеДобавлено: 13 сен 2018, 07:45 
Не в сети
Аватар пользователя

Стаж с: 21 июл 2014, 08:10
Сообщений: 1115
Откуда: Москва
Имя: Игорь
Автомобиль: Unimog 404/ГАЗ-63
Телефон: 89266666901
Пункты репутации: 43
Механик
Студент писал(а):
Я полностью согласен, это азы ремонта. Условий нет..


Виталий, возвращаясь к шагам по проверке причины отсутствия давления: что из описанного по замене элементов с одного мотора было переставлено на другой на данный момент (насос, клапана, фильтра и т.д.)?

Опишите шаги и результаты.

_________________
+79266666901
ivstepanenko-b@yandex.ru

https://www.drive2.ru/r/gaz/53/525357651941393065/

https://www.drive2.ru/r/other/720451/

https://www.youtube.com/channel/UCjto660P3LJfqiwKXNn0rLw?view_as=subscriber


Вернуться наверх
 Профиль  
 
 Заголовок сообщения: Re: Тахометр на ГАЗ 63
СообщениеДобавлено: 14 сен 2018, 00:41 
Не в сети

Стаж с: 22 дек 2014, 02:23
Сообщений: 34
Откуда: Тверь
Имя: Студент
Автомобиль: болеет
Пункты репутации: 0
Со старого мотора снял два ремня привода генератора и ремень привода компрессора. Двигатель был первой комплектности, так что что то менять местами или снимать не пришлось, все было. Есть одно подозрение, нужно время перепроверить, сейчас этим и занят...


Вернуться наверх
 Профиль  
 
 Заголовок сообщения: Re: Тахометр на ГАЗ 63
СообщениеДобавлено: 14 сен 2018, 00:57 
Не в сети

Стаж с: 22 дек 2014, 02:23
Сообщений: 34
Откуда: Тверь
Имя: Студент
Автомобиль: болеет
Пункты репутации: 0
Я еще раз повторюсь по ситуации: давление есть, но маленькое, на холостых оборотах чуть больше одного килограмма, при увеличении оборотов поднимается до трех килограмм. Насос двух секционный, нижняя секция давление на холостых 3,5 кг а верхняя давит только единицу...


Вернуться наверх
 Профиль  
 
 Заголовок сообщения: Re: Тахометр на ГАЗ 63
СообщениеДобавлено: 14 сен 2018, 07:04 
Не в сети
Аватар пользователя

Стаж с: 21 июл 2014, 08:10
Сообщений: 1115
Откуда: Москва
Имя: Игорь
Автомобиль: Unimog 404/ГАЗ-63
Телефон: 89266666901
Пункты репутации: 43
Механик
Давление в верхней секции разве меряется манометром в машине? Могу ошибаться, но эта магистраль только на центрифугу и потом сразу сливает в поддон. Эта ветка без датчика давления, т.к. от нее толку нет вообще для масло системы кроме фильтрации. Даже если она покажет 0 - мотору от нее ни жарко ни холодно. Основная магистраль - нижняя и она с датчиком. Скорее всего редукционник сливает.

_________________
+79266666901
ivstepanenko-b@yandex.ru

https://www.drive2.ru/r/gaz/53/525357651941393065/

https://www.drive2.ru/r/other/720451/

https://www.youtube.com/channel/UCjto660P3LJfqiwKXNn0rLw?view_as=subscriber


Вернуться наверх
 Профиль  
 
 Заголовок сообщения: Re: Тахометр на ГАЗ 63
СообщениеДобавлено: 15 сен 2018, 01:11 
Не в сети

Стаж с: 22 дек 2014, 02:23
Сообщений: 34
Откуда: Тверь
Имя: Студент
Автомобиль: болеет
Пункты репутации: 0
Игорь, Вы запутались... Как раз верхняя секция насоса питает главную масляную магистраль двигателя, а нижняя подает давление на центрифугу. Давление в каждой секции насоса, можно замерить "сторонним" манометром. "Штатный" манометр замеряет и показывает давление только верхней секции насоса.


Вернуться наверх
 Профиль  
 
 Заголовок сообщения: Re: Тахометр на ГАЗ 63
СообщениеДобавлено: 15 сен 2018, 01:15 
Не в сети

Стаж с: 22 дек 2014, 02:23
Сообщений: 34
Откуда: Тверь
Имя: Студент
Автомобиль: болеет
Пункты репутации: 0
По поводу сброса или залипания редукционного клапана главной магистрали, так это проверил перво степенно.


Вернуться наверх
 Профиль  
 
 Заголовок сообщения: Re: Тахометр на ГАЗ 63
СообщениеДобавлено: 15 сен 2018, 08:31 
Не в сети
Аватар пользователя

Стаж с: 21 июл 2014, 08:10
Сообщений: 1115
Откуда: Москва
Имя: Игорь
Автомобиль: Unimog 404/ГАЗ-63
Телефон: 89266666901
Пункты репутации: 43
Механик
Ща разберемся.

_________________
+79266666901
ivstepanenko-b@yandex.ru

https://www.drive2.ru/r/gaz/53/525357651941393065/

https://www.drive2.ru/r/other/720451/

https://www.youtube.com/channel/UCjto660P3LJfqiwKXNn0rLw?view_as=subscriber


Вернуться наверх
 Профиль  
 
 Заголовок сообщения: Re: Тахометр на ГАЗ 63
СообщениеДобавлено: 15 сен 2018, 09:47 
Не в сети
Аватар пользователя

Стаж с: 21 июл 2014, 08:10
Сообщений: 1115
Откуда: Москва
Имя: Игорь
Автомобиль: Unimog 404/ГАЗ-63
Телефон: 89266666901
Пункты репутации: 43
Механик
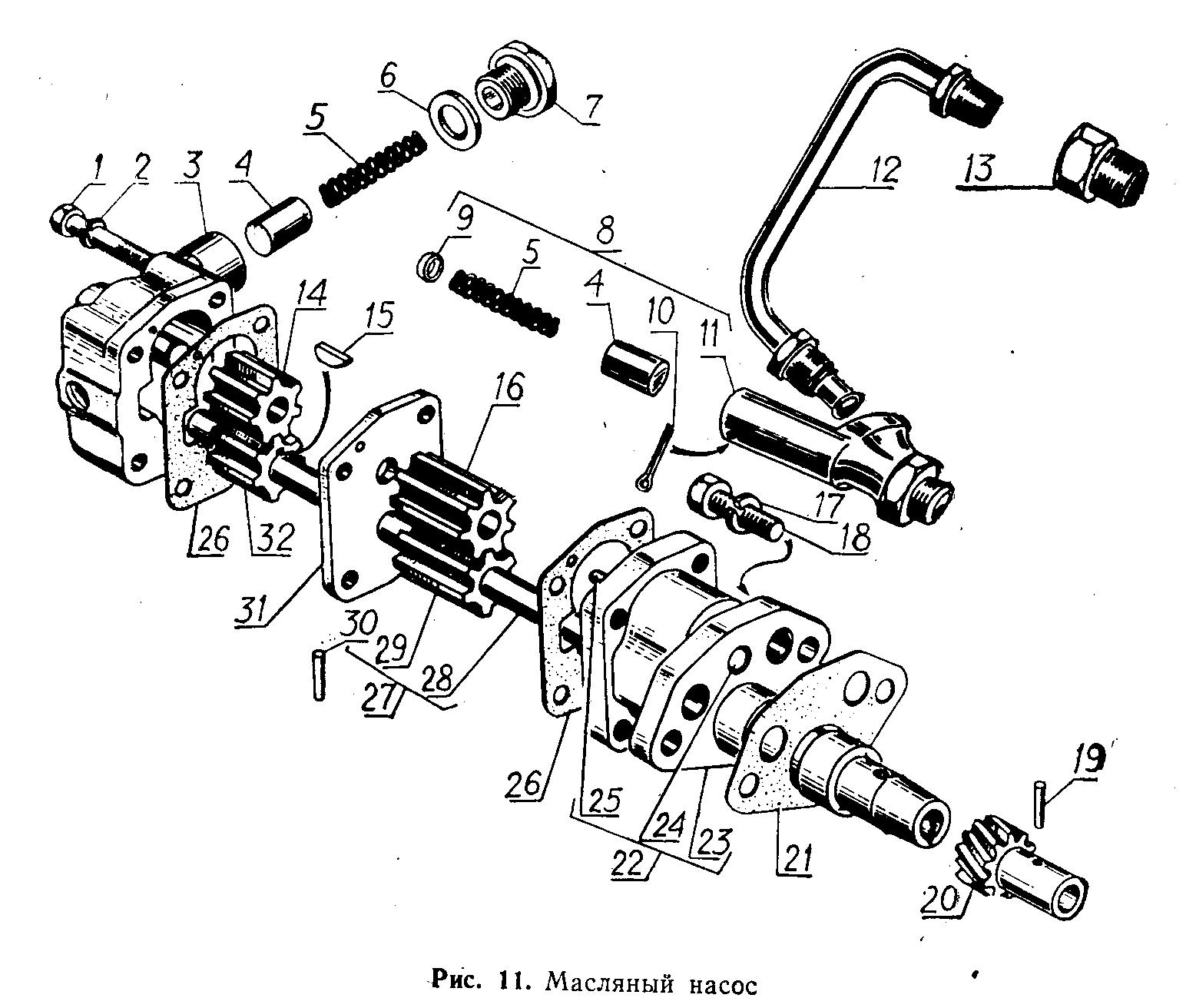
Виталий, да, насос стоит немного приводом вверх на моторе, но все масло насосы отдельно всегда изображают приводом вниз и там основная масломагистраль внизу. Та, у которой шестерни больше. Я ничего не путаю, просто Вы смотрите на насос, закрепленный на моторе, а я на картинку самого насоса.

Теперь основное.
Раз Вы говорите, что давление в малой магистрали =1, то оно нам роли не играет вообще. Основное давление в основной части насоса (верхней по Вашему).
Вы задаете вопрос что делать, но не описываете процедуру проверки, как Вы проверили давлен е в насосе в основной магистрали. То есть нам понять, что Вы корректно сделали невозможно.

Я Вам рекомендовал проверить по пунктам:
1. Проверить, не открыты ли краны радиаторов охлаждения масла в системе. Может визуально закрыты, а на самом деле открыты и масло сливается через них. Также посмотреть редукционные клапаны масло магистралей. Поменять местами. Если также, то далее.
2. Проверить датчики и указатели - поменять с одного мотора на другой. Если также, то далее.
3. Поменять местами масляные насосы с редукционными клапанами (как правило пружины клапанов всех в маслосистеме данного мотора - крайне слабые) с одного мотора на другой. Если также, то далее.
4. Далее разобраться с масляными фильтрами основной магистрали, то есть то, что от большей части маслонасоса питает коленвал и т.д. - может там геморрой. Если также, то далее.
5. Проверить состояние масла - если старое - однозначно будет вязкость ниже. Если также, то далее.
6. Снять мотор и уже в доступном пространстве смотреть вкладыши колена, втулки распреда и т.д.

В отвечаете:
Все по пунктам сделал заранее и перед установкой на машину. Мотор снимал головку и поддон перед установкой, все как с завода...! Вот крышки шатунов и коренных не снимал...
Из Вашего ответа можно понять, что Вы не проверили только колено и распред.

Я снова пишу:
А пуск мотора был до установки и проверка всех показателей по маслу и т.д.?

Вы отвечаете:
Я полностью согласен, это азы ремонта. Условий нет..

Далее все-таки вы пишите:
Я еще раз повторюсь по ситуации: давление есть, но маленькое, на холостых оборотах чуть больше одного килограмма, при увеличении оборотов поднимается до трех килограмм. Насос двух секционный, нижняя секция давление на холостых 3,5 кг а верхняя давит только единицу...

Возникают вопросы:
А как Вы делали измерение нижней секции, когда показания стали 3.5???
Чем условия измерения родного датчика с показаниями на холостых 1.0 отличаются от измерения механическим датчиком с показателями 3.5? (если лечить по письмам, то вопрос в родной паре датчике/указателе давления, которые показывают при одинаковых измерениях с нештатным датчиком/указателем соответственно 1 и 3.5 атмосферы.)

Из всего описанного я делаю вывод, что пуска мотора не было до установки.

И снова возникают вопросы с пункта 1 по 5:
В каком конкретно месте Вы замерили давление насоса в основной магистрали?
Сняли его или просто поставили датчик/указатель вместо штатного датчика в маслофильтре? (почему такой вопрос - на данном участке, где Вы меряете есть сопротивление какого-то элемента, который позволяет показывать давление. Такими элементами могут быть: зазоры в колене и зазоры в распреде, слив в маслорадиатор)?

Если зазоры большие, то давление падает, т.к. дырка слива увеличена, если зазоры маленькие, то давление растет, т.к. это простая школьная задача про наполнение и слив бассейна, только речь не об объеме, а о давлении.

Если Вы сначала написали, что давление равно 1, а потом написали, что основная часть насоса дает 3.5, то где и как Вы меряли давление? Чем затыкали слив масла на другом конце данного участка магистрали чтобы возникло такое давление на холостом ходу (если учитывать, что штатный датчик показывает 1, а нештатный 3.5)?

Вопрос в датчике?

Хотите найти причину - напишите, а лучше прямо на картинках масло системы нарисуйте точки, в которых мерили давление и опишите, как делали, чтобы все прочитали и увидели корректность Ваших измерения.

Сейчас же Вы просто отписались, что все сделали правильно. А что правильно - никому не понятно.


Вложения:
8-ГАЗ-52.jpg
8-ГАЗ-52.jpg [ 66.15 KiB | Просмотров: 10074 ]
Насос-3.JPG
Насос-3.JPG [ 263.5 KiB | Просмотров: 10074 ]
e2aebcds-960.jpg
e2aebcds-960.jpg [ 224.46 KiB | Просмотров: 10074 ]
a2aebcds-960.jpg
a2aebcds-960.jpg [ 220.41 KiB | Просмотров: 10074 ]

_________________
+79266666901
ivstepanenko-b@yandex.ru

https://www.drive2.ru/r/gaz/53/525357651941393065/

https://www.drive2.ru/r/other/720451/

https://www.youtube.com/channel/UCjto660P3LJfqiwKXNn0rLw?view_as=subscriber
Вернуться наверх
 Профиль  
 
Показать сообщения за:  Сортировать по:  
Начать новую тему Ответить на тему  [ Сообщений: 50 ]  На страницу Пред.  1, 2, 3, 4, 5  След.

Часовой пояс: UTC + 4 часа

 

 


Кто сейчас на форуме

Сейчас этот форум просматривают: нет зарегистрированных пользователей и гости: 9


Вы не можете начинать темы
Вы не можете отвечать на сообщения
Вы не можете редактировать свои сообщения
Вы не можете удалять свои сообщения
Вы не можете добавлять вложения

Найти:
Перейти:  
Grizli-Art: разработка | поддержка © работает на phpBB © (Форум любителей и владельцев автомобиля ГАЗ 63/51, БТР-40)

 

Форум работает на сервере от Интернет Хостинг Центр